首页
关于我们
产品展示
变压器系列
散热器系列
生产实力
新闻动态
企业动态
行业动态
销售网络
联系我们
返回上一页
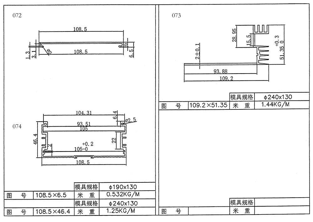
GH-0100系列072~074
同类商品
GH/28
GH/25
GH/17
滑触线、铝盖板系列
GH-0100系列
GH-0100系列064~071
GH-0100系列056~063
GH-0100系列048~055
GH-0100系列041~046
GH-0100系列033~040
GH-0100系列025~032
GH-0100系列017~024
GH-0100系列009~016
GH-0100系列001~008
在线咨询
产品
联系人
联系电话
内容
验证码
联系我们
CONTACT US
如果您如有任何疑问请及时联系我们,我们将以真诚的态度对待 您的每一次访问、每一个电话、每一封邮件、每一个留言,真诚 期待您的光临!真诚期待与您合作!
点 击 留 言
台州金诚电子科技有限公司
地址:浙江温岭市泽国镇茶屿工业区
电话:0576-86422850
传真:0576-86409109
手机:13306566522
www.chinaghkj.com