首页
关于我们
产品展示
变压器系列
散热器系列
生产实力
新闻动态
企业动态
行业动态
销售网络
联系我们
返回上一页
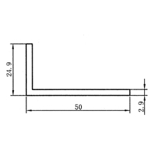
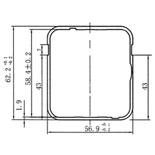
GH/34
同类商品
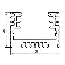
GH/24
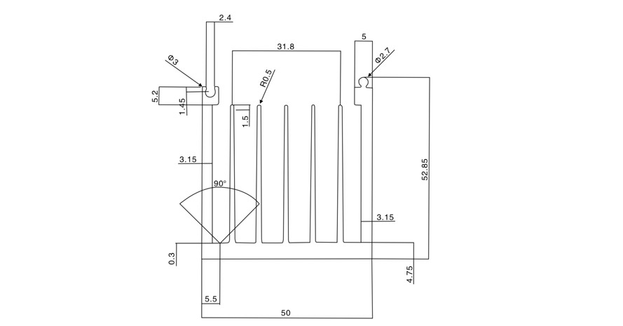
GH/16
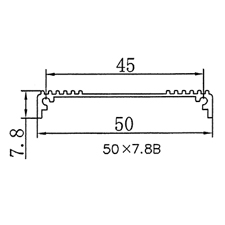
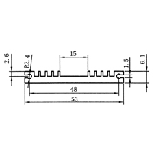
滑触线、铝盖板系列
GH-0050系列144~151
GH-0050系列136~143
GH-0050系列128~135
GH-0050系列120~127
GH-0050系列112~119
GH-0050系列104~111
GH-0050系列096~0103
GH-0050系列088~095
GH-0050系列080~087
GH-0050系列072~079
GH-0050系列064~071
GH-0050系列048~055
GH-0050系列040~047
GH-0050系列032~039
GH-0050系列024~031
GH-0050系列016~023
GH-0050系列008~015
GH-0050系列001~007
在线咨询
产品
联系人
联系电话
内容
验证码
联系我们
CONTACT US
如果您如有任何疑问请及时联系我们,我们将以真诚的态度对待 您的每一次访问、每一个电话、每一封邮件、每一个留言,真诚 期待您的光临!真诚期待与您合作!
点 击 留 言
台州金诚电子科技有限公司
地址:浙江温岭市泽国镇茶屿工业区
电话:0576-86422850
传真:0576-86409109
手机:13306566522
www.chinaghkj.com